Это простое устройство позволяет сохранить работу двигателя при вынутом из замка зажигания ключе.
Для чего это нужно?
Зима. Мороз. Машина стоит возле дома. Сигнализации с автозапуском у меня нет, т.к. я - яростный противник автозапуска с блоком обхода иммобилайзера. На Вебасту разориться "жаба" мешает. Поэтому утром за 15 минут до поездки я выхожу, завожу машину, нажимаю секретную кнопочку, вынимаю ключ из замка зажигания, закруваю машину и иду допивать свой кофе. Мотор продолжает работать и греться, отопитель прогревавет салон. Машина закрыта, ключ у меня. Если даже проходящий мимо злоумышленник решит открыть дверь, прыгнуть в машину и уехать, то как только он нажмёт на тормоз (а ему придётся нажать т.к. у меня АКПП) мотор тут же заглохнет. Повторно завести мотор без ключа (в нём чип) уже не получится. 
Для устройства нужно три реле и одна кнопка без фиксации.
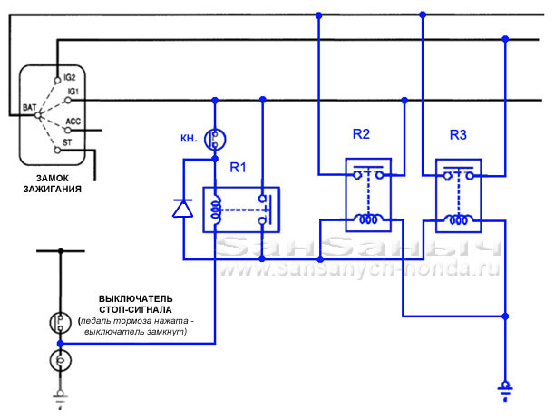
 Работает эта схема так: при работающем двигателе нажимаем кнопку, на обмотку реле "R1" подаётся +12В, другая сторона обмотки соединена через лампочки стоп-сигналов с массой. Реле "R1" включается, замкнутыми контактами контактов поддерживает себя включённым после размыкания кнопки. Одновременно реле "R1" управляет обмотками мощных реле "R2" и "R3", которые в свою очередь замыкают цепи IG1 (зажигание для работы двигателя) и IG2 (зажигание для отопления и вспомогательных систем) в обход замка зажигания.
Работает эта схема так: при работающем двигателе нажимаем кнопку, на обмотку реле "R1" подаётся +12В, другая сторона обмотки соединена через лампочки стоп-сигналов с массой. Реле "R1" включается, замкнутыми контактами контактов поддерживает себя включённым после размыкания кнопки. Одновременно реле "R1" управляет обмотками мощных реле "R2" и "R3", которые в свою очередь замыкают цепи IG1 (зажигание для работы двигателя) и IG2 (зажигание для отопления и вспомогательных систем) в обход замка зажигания.
Можно вытащить ключ зажигания, выйти из машины и закрыть ключом или брелком - двигатель и печка работают.
При нажатии на тормоз, на лампочки стоп-сигналов подаётся +12В, на обмотке реле "R1" с обоих сторон оказывается одинаковый потенциал, реле выключается и выключает реле "R2", "R3". Цепи IG1 IG2 выключаются.
Для изготовления взять одно маломощное малогабаритное реле и два реле расчитанных на ток не менее 30А и спаять схему на монтажной плате.
 Можно использовать стандартные автомобильные реле с готовыми колодками и проводами. Форма и способ монтажа кнопки - на свой вкус, ток через неё маленький, подойдёт любая.
Можно использовать стандартные автомобильные реле с готовыми колодками и проводами. Форма и способ монтажа кнопки - на свой вкус, ток через неё маленький, подойдёт любая.
Для монтажа и подключения силовых цепей (цепь питания и зажигания) желательно использовать пайку.
На рисунке представлена схема подключения стандартных автомобильных реле. 
Далее я приведу примеры цветов проводов замка зажигания и выключателя стоп-сигнала применительно Honda CR-V разных поколений.
CR-V 1 (96-01 г.в.):
B+ (12 В) - толстый белый 
IG1 - толстый чёрный с жёлтой полосой 
IG2 - толстый жёлтый 
стоп-сигнал - зелёный с белой полосой
CR-V 2 (02-06 г.в.):
B+ (12 В) - толстый белый 
IG1 - толстый чёрный с жёлтой полосой 
IG2 - толстый чёрный с красной полосой 
стоп-сигнал - белый с чёрной полосой
CR-V 3 (07-11 г.в.):
B+ (12 В) - толстый белый 
IG1 - толстый синий 
IG2 - толстый оранжевый 
стоп-сигнал - салатовый
Цвета проводов других машин смотрите в схемах, или обратитесь ко мне. Чем смогу - помогу.

 
  
   
